Product Series
推薦產品
河南華東起重機械設備公司
服務熱線:400 086 9590
公司:河南華東起重機械設備有限公司
聯系人:賈經理
聯系電話:13903802779
地址:河南新鄉市封丘縣起重機工業園區
當前位置: 起重機 > 起重機文章
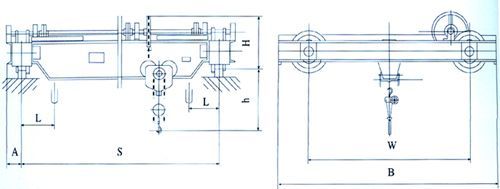
SL型手動單梁式起重機
時間:2024-09-30來源:起重機廠家瀏覽次數:1
結構特點如下:
1. 金屬結構部分:主梁采用工字鋼橫梁是用槽鋼焊接成橫梁再與主梁焊成一體。
2. 單軌小車和手拉葫蘆: 手動葫蘆可起升重物,單軌小車沿主梁向移動,其結構特點詳見手動葫蘆說明書。
3. 運行機構:本產品是采用手動驅動形式,傳動是采用人工拉動鏈條帶動鏈輪齒輪代動主動輪傳動。
di一部分簡易龍門架起重機技術參數說明
1、技術標準:通過并符合以下標準。
GB/T3811-2008 起重機設計規范
JB/T9008.1-99 鋼絲繩電動葫蘆型式和基本參數標準
JB/T9008.2-99 鋼絲繩電動葫蘆技術條件
JB/T5663-2008 電動葫蘆門式起重機制造標準
JB/T 5317.1-1991 環鏈電動葫蘆型式和基本參數標準
2、表面部分:龍門架表面采用噴砂除銹,環氧聚酯胺底漆+環氧聚酯胺面漆。顏色可根據國標色卡定制。
3、萬向輪:輪直徑200mm,材質尼龍輪,非市面上普通的聚酯胺輪子,尼龍輪的硬度和耐磨與鋼材材質相同,單輪承重3500kg,阻尼系數3/1000,也就是說只要15KG的力就可以將5T的重物移動。
4、鋼板主梁材質Q2345,工字鋼運行平穩無接縫,耐磨,表面硬度達到HB300。
5、立柱采用無縫鋼管,垂直度穩定性很好。
6、異形鋼采用定制產品。
7、電器部分:j口合資品牌:德國西門子/法國施耐德/臺灣士林電器,接地保護,短路保護,失壓保護,過流過載保護,電源錯相保護。
8、電纜:定制產品,100%足平方,YC橡套帶鋼絲扁平電纜。電纜雙側帶防拖拽鋼絲繩,保證運行時不拖拽不斷線,保證設備正常運行。
結構圖:

質量保證
1、環氧聚酯胺油漆耐曬耐油耐腐蝕,質保三年,不褪色,不變色。
2、萬向輪二年包退包換。
3、主梁質保5年,無超載情況下,完全符合國家標準。
4、故障保修:接到保修電話2小時內響應。
7、焊接成型:主要部件采用數控+半自動切割準確下料,大量采用生產制造胎具,焊接平臺,保證成型準確穩定的加工工藝,整體焊接全部采用CO2氣體保護焊,半自動埋弧焊,焊接強度大。
8、檢驗機構:設備經過第三方焊接探傷檢測機構,100%通過超聲波探傷與X射線探傷合格,才準予出廠。
9、從設計;材料;制造;應配件等全程檢驗。并取得設備監檢報告合格后,方可出廠。
技術參數表
| 名稱 Title | 單位 Unit | 規格 Specs |
| 額定起重量 Load: | Gn | 0.2T,0.5T,0.8T,1T,2T,3T,5T |
| 跨度 Span: | L | <12m |
| 提升高度 Lifting Height: | H | <12m(可選擇高度可調系列) |
| 工作電源 Power source | 可選 | 3p A.C 50HZ 380V |
| 工作級別 Class: | jc | A1-A2 |
| 運行機構: | 固定式,手動軌道鑄鋼輪,聚酯胺萬向輪,尼龍萬向輪(硬度:HB300 高于Q235鋼材硬度) | |
| 小車機構: | 電動跑車,手動跑車,矛頭吊。 | |
| 吊裝機構: | 手拉葫蘆,電動鋼絲繩葫蘆,環鏈電動葫蘆。 |




















