Product Series
推薦產品
河南華東起重機械設備公司
服務熱線:400 086 9590
公司:河南華東起重機械設備有限公司
聯系人:賈經理
聯系電話:13903802779
地址:河南新鄉市封丘縣起重機工業園區
當前位置: 起重機 > 起重機文章
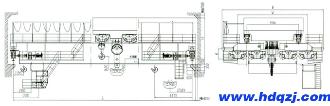
QD型160/50噸電動雙梁吊鉤橋式起重機技術參數表
時間:2024-04-15來源:起重機廠家瀏覽次數:1
QD型160/50噸電動雙梁吊鉤橋式起重機方案圖

QD型160/50噸電動雙梁吊鉤橋式起重機技術規格參數:
工作級別 | A5 | |||||||||||||
跨度 | m | 13 | 16 | 19 | 22 | 25 | 28 | 31 | ||||||
起重機重量 | t | 112 | 135 | 160 | 156 | 167 | 181 | 192 | ||||||
輪壓 | kN | 525 | 560 | 340 | 350 | 360 | 370 | 380 | ||||||
起升高度 | m | 22/24 | ||||||||||||
速度 | 起重機運行 | m/min | 45 | 52.3 | ||||||||||
小車運行 | 28.6 | |||||||||||||
主起升 | 3.3 | |||||||||||||
副起升 | 6.2 | |||||||||||||
電動機 | 起重機運行 | 2-YZR25CMi-8/35kw | YZR180L-6/4x17kw | |||||||||||
小車運行 | YZR200L-6/26kw | |||||||||||||
起升 | YZR355M-10/110kw | |||||||||||||
副起升 | YZR280S-8/51kw | |||||||||||||
主要尺寸 | A | mm | 1500 | 1200 | ||||||||||
B | 10300 | 11300 | ||||||||||||
H | 4690 | 4692 | 5188 | 5190 | 5192 | 5194 | 5195 | |||||||
H3 | 2107 | 2107 | 1465 | 1465 | 1465 | 1465 | 1465 | |||||||
F | 90 | 530 | 596 | 600 | 607 | 807 | 813 | |||||||
W | 6400 | 7620 | ||||||||||||
薦用軌道 | 柱:跨度≤16m起重機外形圖參照125/32t QU80 QU100 | |||||||||||||




















