Product Series
推薦產品
河南華東起重機械設備公司
服務熱線:400 086 9590
公司:河南華東起重機械設備有限公司
聯系人:賈經理
聯系電話:13903802779
地址:河南新鄉市封丘縣起重機工業園區
當前位置: 起重機 > 起重機文章
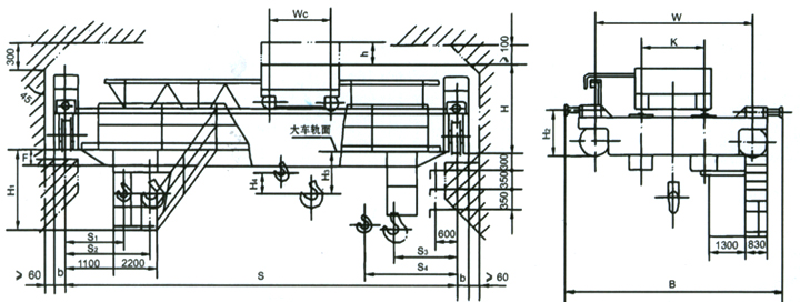
32/5噸、50/10噸雙梁吊鉤橋式起重機技術參數
時間:2024-01-17來源:起重機廠家瀏覽次數:1
雙梁吊鉤橋式起重機是雙梁形式的橋式起重機,32/5噸及50/10噸兩種規格是雙梁橋式起重機常用的兩種噸位,主要用于車間、倉庫等室內場合吊運產品、物件等,小編為大家介紹下32/5噸及50/10噸雙梁吊鉤橋式起重機技術參數。
雙梁吊鉤橋式起重機圖片
QD型雙梁橋式起重機結構圖
32/5噸及50/10噸雙梁吊鉤橋式起重機技術參數 Technological parameter
| 起重量Lifting Weight | t | 32/5 | 50/10 | ||||||||||||||||||
| 跨度Span | m | 10.5 | 13.5 | 16.5 | 19.5 | 22.5 | 25.5 | 28.5 | 31.5 | 10.5 | 13.5 | 16.5 | 19.5 | 22.5 | 25.5 | 28.5 | 31.5 | ||||
| 最大起升高度Max.Lifting Height | 主Primary | 16 | 12 | ||||||||||||||||||
| 副Secondary | 18 | 16 | |||||||||||||||||||
|
速度 speed |
起升Lift | 主Primary | A5 | m/min | 7.51 | 5.9 | |||||||||||||||
| A6 | 9.5 | 7.8 | |||||||||||||||||||
| 副Secondary | A5 | 19.7 | 13.2 | ||||||||||||||||||
| A6 | 19.7 | 13.2 | |||||||||||||||||||
| 小車運行handcart travel | 42.4 | 38.5 | |||||||||||||||||||
| 大車運行cart travel | A5 | 87.6 | 74.2 | 75.2 | 85.9 | ||||||||||||||||
| A6 | 101.4 | 101.8 | 85.5 | 87.3 | |||||||||||||||||
|
電動機 Motor |
起升Lift | 主Primary | A5 | kw | YZR280S-10Z/42 | YZR280M-10Z/55 | |||||||||||||||
| A6 | YZR280M-8/55 | YZR315S-8/75 | |||||||||||||||||||
| 副Secondary | YZR180-6Z/17 | YZR200L-6Z/26 | |||||||||||||||||||
| 小車運行handcart travel | YZR160M1-6/6.3 | YZR160M2-6/8.5 | |||||||||||||||||||
| 大車運行cart travel | A5 | YZR160M2-6/8.5×2 | YZR160L-6/13×2 | YZR180L-8/13×2 | |||||||||||||||||
| A6 | YZR160L-6/11×2 | YZR180L-8/11×2 | YZR200L-8/15×2 | ||||||||||||||||||
|
主要尺寸 (mm) Main Size |
H | A5 | 2343 | 2345 | 2475 | 2726 | 2732 | ||||||||||||||
| A6 | 2343 | 2347 | 2477 | 2726 | 2728 | 2734 | |||||||||||||||
| H1 | A5 | 2580 | 2584 | 2614 | 2644 | 2794 | 2944 | 3094 | 3194 | 2531 | 2526 | 2532 | 2632 | 2782 | 2932 | 3082 | 3182 | ||||
| A6 | 2580 | 2586 | 2616 | 2646 | 2796 | 2946 | 3096 | 3196 | 2531 | 2528 | 2534 | 2634 | 2784 | 2934 | 3084 | 3184 | |||||
| H2 | A5 | 940+H0 | 1035+H0 | 1070+H0 | 1090+H0 | ||||||||||||||||
| A6 | 940+H0 | 1070+H0 | 1090+H0 | 1130+H0 | |||||||||||||||||
| H3 | A5 | 705 | 701 | 571 | 1020 | 1014 | |||||||||||||||
| A6 | 703 | 699 | 571 | 569 | 1020 | 1018 | 1012 | ||||||||||||||
| H4 | 790 | 948 | |||||||||||||||||||
| h | 820 | 675 | |||||||||||||||||||
| k | 2500 | ||||||||||||||||||||
| A5 | 6474 | 6620 | 6924 | 6724 | 6824 | 7144 | |||||||||||||||
| A6 | 6574 | 6744 | 7044 | 6944 | 7024 | ||||||||||||||||
| W | 4650 | 4700 | 5000 | 4800 | 5000 | ||||||||||||||||
| W | 2800 | 3580 | |||||||||||||||||||
| b | 260 | 300 | |||||||||||||||||||
| A5 | 90 | 94 | 244 | 264 | 414 | 564 | 714 | 814 | -79 | 96 | 102 | 252 | 402 | 552 | 702 | 802 | |||||
| A6 | 90 | 96 | 246 | 266 | 416 | 566 | 716 | 816 | -79 | 98 | 104 | 254 | 404 | 554 | 704 | 804 | |||||
| S1 | 1070 | 1005 | |||||||||||||||||||
| S2 | 2050 | 2200 | |||||||||||||||||||
| S3 | 1700 | 2000 | |||||||||||||||||||
| S4 | 2680 | 3195 | |||||||||||||||||||
|
重量 Weight |
小車handcart | A5 | t | 10.9 | 15.5 | ||||||||||||||||
| A6 | 11.7 | 16 | |||||||||||||||||||
| 總重Total Weight | A5 | 27 | 30 | 33 | 38 | 41 | 46 | 50 | 54 | 37 | 40 | 44 | 49 | 53 | 58 | 62 | 68 | ||||
| A6 | 28 | 31 | 35 | 40 | 43 | 48 | 52 | 56 | 40 | 43 | 48 | 52 | 56 | 62 | 67 | 72 | |||||
| 最大輪壓Max.Wheel Pressure | A5 | t | 24.8 | 26.4 | 27.8 | 30.1 | 31.1 | 33.1 | 34.4 | 35.4 | 36.5 | 39.9 | 42.0 | 43.0 | 45.6 | 47.4 | 48.7 | 50.3 | |||
| A6 | 26.4 | 28.2 | 29.6 | 31.0 | 32.4 | 34.0 | 35.0 | 36.4 | 37.9 | 40.3 | 42.5 | 44.4 | 46.0 | 47.8 | 49.2 | 50.8 | |||||
| 薦用鋼軌Steel track | QU70 □90×90 | QU80 □100×100 | |||||||||||||||||||
| 電源Power Supply | 三相交流3-Phase A.C.50Hz,380V | ||||||||||||||||||||
-
17
2024-12
QD型吊鉤橋式起重機鍍鋅鋼絲繩磨擦-QD型吊鉤橋式起重機主梁變形
機械制造業的起重機吊裝都離不了鍍鋅鋼絲繩,鋼絲繩繩絲中間的磨擦要素都有哪些呢?下邊QD型吊鉤橋式起重機生產廠家就這個話題討論來做一篇文章,看來一下吧?! D型吊鉤橋式起重機鍍鋅鋼絲繩繩絲中間的磨擦與2個要素相關: ①繩絲中間的工作壓力。該壓力-層面來自鍍鋅鋼絲繩的捻繞I藝全過程,另一方面是由鍍鋅鋼絲繩能承受的抗拉力S造成。-般而言,鍍鋅鋼絲繩通過一段時間的應用后,將造成預形變,這時鍍鋅鋼絲繩繩...詳細
-
17
2024-12
【金屬結構】QD型吊鉤橋式起重機金屬結構的應用
金屬結構是QD型吊鉤橋式起重機重要的一部分。它是所有起重機械的架構,用于安裝起重機械的工業設備,支點被綁起來的起吊,擔負和傳輸作用在起重機械上的各式各樣負荷。在岸邊集裝箱起重機(統稱岸邊起重機械)中,海運集裝箱負荷Pa依據起重機械轎車5的車輪子將負荷傳輸到承重墻1或2,而起重機械轎車5又將負荷傳輸到]架4,*后傳輸到軌道,接著依據轎車7的車胎傳輸到基本上。起重機械依靠金屬結構的支點造成一定的運作室...詳細
-
26
2024-09
吊鉤橋式起重機簡介
吊鉤橋式起重機簡介 吊鉤橋式起重機是現在使用較為廣泛的起重機械,其主要由箱形橋架、起重小車、大車運轉機構和電氣控制系統組成。取物設備是吊鉤?! ≈髁荷厦驿佋O有軌跡,供起重小車沿主梁方向作橫向移動。主梁與箱型端梁焊接而成,端梁中間安置有接頭,螺栓或銷軸連接,供橋架分拆運輸。吊鉤橋式起重機圖片展示吊鉤橋式起重機使用范圍 吊鉤橋式起重機廣泛使用于工廠、庫房、料場等不同場合,根據不同用戶的需求,本設備...詳細
-
21
2024-09
吊鉤橋式起重機小車車路軌安裝誤差規范
在前面的內容中,大家講解了吊鉤橋式起重機大車路軌的安裝規范,這些僅僅起重設備路軌安裝使用規范的一部分,今日咱們詳細介紹下吊鉤橋式起重機小車路軌安裝使用規范。吊鉤橋式起重機的小車路軌一般就是指雙梁橋式起重機或是雙梁起重機上的,安裝規范有一部分是和大車同樣的,總的規范如下所示: 1、兩路軌相對標高:誤差<10mm,用水準儀精確測量 2、路軌豎向坡度:1/1500 3、路軌接頭處多少誤差:≤1mm...詳細
-
21
2024-09
吊鉤橋式起重機大車路軌安裝使用規范及誤差規定
依據過去吊鉤橋式起重機的運作數據信息表明,假如路軌跨度與橋式起重機的跨距不符合,在機器設備運作環節中會發生軋軌狀況,損壞車轱轆和路軌,乃*造成工業廠房經常震動,造成巨大噪聲。如兩路軌設計標高不一致,還很有可能導致起重設備起吊后沒法走動的狀況?! 〉蹉^橋式起重機大車路軌的鐵軌規范長短一般有9m,9.5m,10m,10.5m,11m,11.5m,12m,12.5m幾類,在組裝的那時候要合乎下列好多個規...詳細
-
19
2024-09
吊鉤橋式起重機超載限制器功能特點
吊鉤橋式起重機超載限位器適用于各種型號和規格的行車。龍門吊。吊鉤橋式起重機;測量范圍為0.1噸-300噸;吊鉤橋式起重機超載限位器可測量和顯示各種參數,如起重、三相電流、平均電流、三相電壓、平均電壓、累計運行時間、總過載次數等。當起重設備因過載而保護停機時,直接顯示故障代碼,為用戶處理故障提供參考。 1.吊鉤橋式起重機超載限位器概述介紹?! 〉蹉^橋式起重機超載限位器產品是一種專為電動駕駛而設計的...詳細




















