推薦產品
河南華東起重機械設備公司
服務熱線:400 086 9590
公司:河南華東起重機械設備有限公司
聯系人:賈經理
聯系電話:13903802779
地址:河南新鄉市封丘縣起重機工業園區
當前位置: 起重機 > 成功案例 > 天車案例
LDA型單梁天車|LDA型單梁天吊
時間:2024-01-19來源:天車廠家瀏覽次數:1247
LDA型單梁天車,LDA型單梁橋式天車,LDA型電動單梁天車,LDA型單梁天吊,LDA型電動葫蘆天車,LDA型單主梁天車,LDA型天車,LDA型單梁天吊,LDA型單梁天吊。
LDA型單梁天車簡介介紹:
單梁天車也叫單梁天吊,天車具有整機結構合理,剛性強等特點。天車配套CD1單速電動葫蘆、MD1雙速電動葫蘆、環鏈葫蘆等起升裝置使用,是一種輕小型的單梁起重機。
LDA型單梁天車規格型號:
單梁天車型號:LDA型單梁天車、LDE型雙葫蘆單梁天車。
LDA型單梁天車規格:1噸、2噸、3噸、5噸、10噸、16噸、20噸,起重量可非標定做。
LDE型單梁天車規格:2噸(1+1T)、4噸(2+2T)、6噸(3+3T)、10噸(5+5T)、20噸(10+10T)。
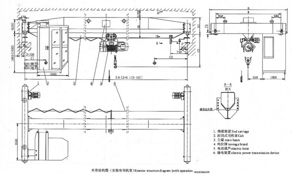
LDA型單梁天車結構圖紙:
LDA型單梁天車技術參數:
1、天車跨度:16米、19米、20米、22米、26米、29米、31米、36米,(1米-50米)可非標定制。
2、天車起升高度:6米、9米、12米、18米、24米、30米,起升高度可非標訂做。
3、天車工作級別:A3/M3;
4、天車起升速度:0.35M/MIN、0.7M/MIN、0.8M/MIN、3.5M/MIN、7M/MIN、8M/MIN,可定做;
5、天車大車運行速度:10M/MIN、20M/MIN、30M/MIN、40M/MIN,可定制;
6、天車小車運行速度:20M/MIN,可非標定做;
7、電源:三相交流 380V 50HZ 可訂制其他電壓(如出口國外,需要參考他國電源電壓);
以上天車參數需要根據實際起重量、跨度、電動葫蘆起升高度設計生產,也可根據客戶使用需要設計定做;
LDA型單梁天車適用范圍:
單梁天車可用于機械制造車間、冶金車間、石油石化、港口碼頭、鐵路公路、民航物流、電站水廠、造紙廠礦、建材建筑、電子電器等行業的車間、倉庫、料場等工作環境場合。
LDA型單梁天車注意事項:
單梁天車使用環境不能在有易燃易爆介質的工作環境或有很大濕度與酸、堿類氣體的工作場所中使用,也不適用于吊運熔化金屬、有毒物工作車間,特殊車間需要訂購特種單梁天車,如冶金天車、防爆天車。
LDA型單梁天車優點缺點:
單梁天車優點:訂貨生產周期短,價格便宜,起重量能夠滿足一般車間工作;
單梁天車缺點:有效起升高度相對較低,使用中晃動相對較大,工作級別低,不適用繁重車間。
LDA型單梁天車購買說明:
購買單梁天車請請告知以下數據,以便我們能更快確認您的需求!
1、天車起重量;
2、天車跨度(軌道中心至導軌中心);
3、天車起升高度(鉤中心接地);
4、需要訂購導軌和電纜嗎?(請提供運行長度);
5、如果您有更多的詳細資料,請告知,我們會更給出優惠的天車價格。
LDA型單梁天車廠家公司:
河南單梁天車生產廠家提供天車定制、非標單梁天車設計定做等業務;單梁天車規格齊全。提供單梁天車生產、運輸、安裝、檢驗、使用培訓等一條龍服務,交鑰匙工程為客戶減輕采購成本。

加微信好友

微信小程序

微信公眾號
400-086-9590
139-0380-2779
- 售后服務
-



















